高壓開關柜二次圖閱讀說明,電氣人員必須閱讀
高壓開關柜二次圖閱讀說明,電氣人員必須閱讀詳細資料由專業的低壓開關柜、低壓配電柜、低壓配電箱報價廠家為您提供。
這本書在電力行業引起了巨大的轟動,讓許多電力從業者豎起了大拇指!
第二次殺戮正在進行。
配電數據包(參考圖紙*經典課件)
不管你在電力行業做什么工作
無論你拿電工證書,第二次施工,首先次施工,注冊消防等。
你可以利用一切。
錯過昂貴的購買
打掃庭院,進入商店,搶劫,搶劫
下午發郵件吧!

二次圖的符號意義
在學習二次圖之前,首先應該知道二次圖中每個符號所代表的含義或裝置。下表列出了該圖中的一些常見符號:
標志
意義
資產負債表
五防密碼鎖
JDR1,2
加熱板
6QA,7QA
3P微型斷路器
5QA
2P交流微型斷路器
1QA~4QA
2P·DC微型斷路器
CM1~CM2
櫥柜照明
Yn
智能狀態顯示
在
微機綜合保護
速射的
斷路器
PJ
電表
進線柜一次接線示意圖

輸入線開關柜交流電流回路
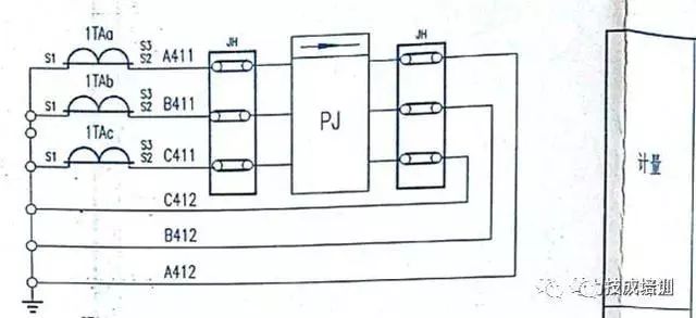
1.計量回路

計量回路的功能主要是將小電流傳輸給智能電能表進行電能計算。維修或更換電能表時,切記不要打開電流互感器的二次側。
2.測量回路

測量回路主要向綜合保護裝置傳輸小電流進行電流檢測。背景中顯示的電流是在這里取得的。
3、線路保護電路

該圖中故障記錄的功能是實時監控電流變化,為判斷故障提供判斷依據,提高故障發生時的故障處理速度。
4、母線保護電路

它還監控電流變化,以達到跳閘或報警的故障設定點。
5、零序保護電路

安裝在電纜上的零序電流互感器可以在線柜后面看到。其功能是監測零序電流,并將信號傳送至小電流選線裝置柜進行報警和故障查找,然后傳送至綜合保護裝置進行報警或跳閘。
進線開關柜交流電壓回路
1.電測學

圖中的DFY也相當于一個接線端子,但二次接線端子上有一個短路片,可以使電流互感器短路或使電壓互感器開路。
進線開關柜打開和打開示意圖
1.綜合保護裝置外部開啟和開啟接線圖

在該圖中,質量保證是具有小開口的機柜的內部控制總線,QF、S8、S9和S都是斷路器的內部觸點,S8是測試位置觸點,S9是工作位置觸點,S8在測試位置閉合,S8在離開測試位置時斷開,S9在到達工作位置時閉合,S9在離開后斷開。s是斷路器的儲能觸點,儲能成功閉合,非儲能斷開。QK 開關柜上位遠程/就地轉換開關,JD為接地刀閘觸點,接地刀閘閉合并打開。6LP 開關柜上部維護狀態壓板。
2.綜合保護裝置內部開啟和開啟接線圖

圖中的KKJ是一個閉合位置繼電器,可用于區分正常開啟和故障開啟。TWJ是跳閘繼電器,用于指示綜合保護的跳閘位置。HWJ是一個就地繼電器,用于完全保護就地指示。
進線開關柜控制原理圖

上圖為開關柜的控制原理圖。如果你理解這個數字,你就會知道我們的開關柜是如何被控制的,以及哪個設備控制它的分離和組合。
質量保證是控制小母線斷開,輸入是綜合保護裝置,KK是開/關開關,輸入是開線圈,輸出是關線圈,輸出是開/關閉鎖電磁鐵,輸出是壓板,輸出是斷路器中的輔助觸點。
有兩個開關電路,一個用于本地手動開關,另一個用于遙控開關。有三個斷開電路,一個用于本地手動斷開,一個用于遙控斷開,一個用于保護電路斷開。
儲能電路原理圖

儲能電路是斷路器的動力部分,儲能電機用于儲存彈簧的能量。
智能狀態顯示

上圖為智能控制顯示示意圖,包括電纜室的照明和加熱、手車位置顯示、斷路器的開關位置顯示、斷路器儲能指示和接地刀狀態顯示等。
智能控制顯示器的功能是直觀地查看每個設備的狀態、位置和其他信息,尤其是切換操作。
摘要:二級圖對操作人員來說非常重要。從二次圖可以看出設備的機理、原理和工作方式。查看二級圖表表明您已經掌握了該設備。當您遇到問題時,您可以有條不紊地找出原因,并縮短故障排除時間。
更多選型規格報價定制等問題可及時聯系廠家,以上就是高壓開關柜二次圖閱讀說明,電氣人員必須閱讀全部內容。
- 上一篇:十七張圖片說明高壓開關柜的安裝過程和注意事
- 下一篇:開關柜次級電路,圖形分析!!

 
 
  
  
  
 