10KV開關柜二次接線圖文詳細說明
資料來源:建筑電氣公司
如有侵權,請聯系刪除
概觀
10kV開關柜的主要部件包括:真空斷路器、電流互感器、就地安裝的微機保護裝置、操作電路附件(手柄、指示燈、壓板等)。),以及各種位置輔助開關。其中,斷路器和電流互感器安裝在開關柜內,微機保護、附件和電能表安裝在繼電器室的面板上(使用以前的名稱,實際上沒有繼電器),端子排安裝在繼電器室內,帶有各種電源空氣開關,端子排通過控制電纜或專用插座與斷路器機構連接。

要理解開關柜的二次接線,我們需要找到兩張圖紙:制造商提供的保護原理圖和接線圖;開關柜制造商提供的二次原理圖、接線圖、端子框圖和斷路器機構原理圖。
綜合工廠的圖紙是開關柜制造商設計的原始基礎,也是我們審查開關柜制造商圖紙的基礎。開關廠的原理圖一般根據工廠的原理圖進行修改,然后示意性的畫出電流、電壓、信號量的輸入和控制量的輸出。
10kV電纜出線中央柜二次接線
KYN28A(GZS1)中央機柜為10kV開關柜型,最常用于城市地區變電站型。從前面看,它顯然分為三部分,頂部是繼電器室,中間是斷路器室,底部是空室(什么也沒有)。母線等高壓設備安裝在柜體后部。如圖8
1所示。

圖8
1
1.中繼室
繼電器室面板設有微機保護裝置、操作手柄、保護出口壓板和指示燈(關閉位置紅燈、分檔位置綠燈、儲能完成黃燈);繼電器室內有接線端子,微機保護控制回路有DC電源開關,微機保護有DC電源,儲能電機(DC或交流)有DC電源開關。圖8
1是開關柜的早期圖片。繼電器室是安裝電流表和指示燈的地方。
2.斷路器室
10kV中壓柜最常用的斷路器是VS1真空斷路器,斷路器機構中的接線通過專用插座與繼電器室的接線盒連接。一段插頭與斷路器機構固定連接,另一段為專用插頭。匹配的插座安裝在斷路器室的右上方,并從插座連接到繼電器室的接線盒。為了了解二次回路,我們需要對運行過程有一定的了解。
中間柜斷路器手車有三個位置:斷開、測試和操作(需要注意的是,斷路器手車和斷路器是兩個概念,斷路器手車實際上是斷路器及其座)。正常運行時,斷路器手車處于運行位置,斷路器處于合閘位置,二次線插頭與插座連接。手動跳閘后,斷路器處于斷開狀態,手車處于運行位置;用專用搖把將斷路器手車搖出至試驗位置,可拔出二次插頭(手車在運行位置時不能拔出);繼續搖動,手車退出斷路器室并處于斷開位置。
斷開位置:斷路器與一次設備(母線)無連接,失去操作電源(二次插頭已拔出),斷路器處于斷開位置;
測試位置:二次插頭可以插入插座獲得電源。斷路器可以開關,相應的指示燈亮。斷路器與一次設備沒有連接,可以進行各種操作,但不會對負載側產生任何影響,因此稱為試驗位置。
操作位置:斷路器與一次設備連接。接通電源后,電力通過斷路器從母線傳輸到輸電線路。
中央機柜沒有傳統意義上的隔離開關概念。手車處于試驗位置時,相當于傳統隔離開關斷開,即斷路器和主回路(一次母線)有明顯的斷開點。圖8
2,8
3顯示VS1真空斷路器,GZS開關柜內部截面。

圖8
2

圖8
3
圖8
2示出了VS1斷路器手車,它像抽屜一樣放置在開關柜中,軌道上的滑輪在紫色的盒子中,二次連接插頭(處于拔出狀態)在紅色的盒子中,斷路器的動觸頭在綠色的盒子中。圖8
3框架中的設備與圖8
2相同,二次接線插頭處于插入位置。
我們選擇的型號是:南瑞RCS-9611A微機保護,開關柜 KZN1開關柜常熟開關廠。(不同制造商有各種奇怪的型號機柜。)
3、RCS-9611A
RCS-9611A是南瑞公司用于小電流接地系統線路的微機保護裝置。配有三段過流、三段零序過流/小電流接地選線和重合閘。電流-電壓電路如圖8
1所示,操作電路如圖8
2所示,進氣電路如圖8
3所示。

圖8
1
從圖8
1可以看出,需要連接的模擬量有:母線電壓、線路電壓(幾乎沒有10kV線路配線路PT)、保護電流(三相,實際工程中10kV線路一般只配兩相電流互感器)、測量電流(兩相)和零序電流。

圖8
2
從圖8
2中可以看出,這個操作回路比RCS-941要簡單得多。紅色框架中的設備(手柄和壓板)不屬于RCS-9611。它們由開關柜制造商提供,安裝在繼電器室面板上。

圖8
3
圖8
3顯示了該設備的遠程通信電路。與110千伏電壓等級設備的保護裝置不同,35/10kV設備的保護、測量和控制是一體化設計,即一體化為一個裝置。相比之下,在RCS-941A中,你肯定找不到測量電流和開關值的輸入電路。它需要CSI-200E和其他測量和控制設備或常規控制屏幕與之配合來提供這些功能。
4、KZN1
04開關柜
如圖8
1所示,10kV線路一次設備主接線的隔離開關、b相電流互感器和零序電流互感器TA比架空線少。

圖8
1
B相電流互感器的功能:一般書籍中提到只安裝A相和C相電流互感器。為什么現在安裝了B相CT?這主要是由于小電流接地選線功能。當10kV架空線路單相接地時,允許其繼續運行一段時間,但必須確定哪條線路接地,以便盡快檢查和修復線路,即“選線”。線路選擇基于線路的零序電流是否為零。零序電流是三相電流的矢量和,正常情況下理論值為零,單相接地時測得的零序電流不為零,可以判斷線路故障。因此,有必要配置三相電流互感器來計算零序電流。對于電纜出線,在高壓(10kV)電纜上安裝一個特殊的零序電流互感器,不需要計算三相電流互感器的總和,因此可以通過配置A相電流互感器和C相電流互感器來實現保護功能,這與書中的說法并不矛盾。
10kV開關柜二次原理圖根據RCS-9611A原理圖繪制,主要分為電流-電壓電路、操作電路和開關量輸入電路。分別如圖8
2、8
3、8
4和8
5所示。

圖8
2
圖8
2是電流回路,包括:保護、測量、計量和小電流接地線選擇。保護裝置和電能表安裝在開關柜上,所有接線均由開關廠連接。小電流接地選線裝置安裝在主控室,零序電流L401和N400需要通過控制電纜連接到該裝置。

圖8
3
圖8
3為電壓電路,包括:保護電壓(和測量電壓)和測量電壓,均從機柜頂部的小母線引出。保護電壓在進入保護裝置之前必須通過空氣開關,如圖4QF所示。不需要測量電壓。

圖8
4
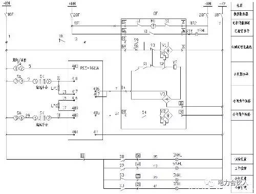
圖8
4為操作回路,主要包括控制手柄、微機操作回路和斷路器機構的配合。請把圖片放大一點(點擊查看大圖)。在許多簡圖中,斷路器機構的合閘回路通常如圖8
5所示:“彈簧儲能S1常開”、“斷路器分閘DL常關”和“合閘線圈HQ”串聯,或增加“試驗位置SW和操作位置YW常開且并聯”來表示“斷路器手車只能在試驗位置和操作位置閉合”。事實上,VS1斷路器通常配備有閉合鎖定電磁鐵,該電磁鐵由手車行程開關(類似于繼電器)控制。當手車處于測試位置和操作位置以外的位置時,電磁鐵斷電,其輔助觸點斷開閉合電路。這屬于中央機柜的電氣鎖定(中央機柜還有許多其他電氣鎖定,例如通電時無開口開關柜后門等)。)。
10kV中央柜具有完善的電氣閉鎖和機械閉鎖功能。當手車處于非測試/運行位置時,機械鎖閉功能將自動完成合閘操作鎖閉,因此不需要使用開關和YW來鎖閉合閘回路。(為了便于理解,測試位置S8和操作位置S9也標記為西南和YW)


圖8
6
圖8
6顯示了開關值輸入電路。對于中央機柜,最重要的信號包括:測試位置(S8常開)、操作位置(S9常開)、接地刀關閉位置(QE常開)和不儲能彈簧(S1常閉)。斷路器的位置可能不需要連接,因為微機保護可以根據HWJ和TWJ自己的操作電路來判斷。
綜上所述,對于二次設計,10kV開關柜是最方便的,只需將零序電流引至小電流接地選線裝置,其余二次接線由廠家完成。
接線圖的視圖在此不再重復。關鍵是參考示意圖,然后比較兩個安裝單元的數量。
XGN開關柜二次接線
XGN開關柜是一種固定開關設備,配有真空斷路器(固定安裝,不像中間柜那樣可以用手車拉出),配有獨立的隔離開關,這相當于將設備與架空出線間距集中成一個開關柜。
XGN開關柜沒有特殊的二次接線插頭,所有二次接線都是通過控制電纜完成的。除了開關輸入電路中的“測試位置和操作位置”被“上隔離1G位置和下隔離2G位置”所取代之外,開關輸入電路的二次接線與中央機柜的二次接線相同。
相關內容課程視頻推薦

10KV變電站設計(2017版)
本課程是2017年的最新版本。購買本課程并贈送舊版本的視頻!
本課程說明10kV變電站的設計重點。
根據“高壓配電室、變壓器室、低壓配電室”,細化設計思路、設備選型規范,說明10kV高壓系統圖推薦方案。經過學習,你真的可以成為一個變電站!
(閱讀原文,免費聽課程。)
(掃描代碼進入課程詳細信息頁面~)
課程咨詢
技術交流組:562714220
QQ咨詢:2885351128
電話:13911574768
◇關于朱龍電氣
朱龍電氣隸屬于朱龍網絡。目前,它在建筑電氣行業擁有200多萬名員工。它是一個集行業信息、新聞熱點、數據下載和技術交流于一體的綜合服務平臺。朱龍電氣的公共微信號已經成為建筑電氣行業最大的工程技術微信,擁有近10萬微信粉絲。
電話咨詢:13911574768
電氣技術交流組:562714220
- 上一篇:機電人驚呆了,直觀開關柜高清3D動畫分析
- 下一篇:99%的人不知道開關柜的正確分類
